技术 门窗幕墙软弱无力 6063 铝型材强度分析 铝合金
6063铝型材是什么意思 6063代表什么 上海襄达工业铝型材有限公司
方管铝型材 2a12铝管 6063铝管

6063铝合金 一种常见的铝合金型号 头条百科

6063铝管 谈6063铝合金的可贵之处 东莞信从义

6063铝合金的价格被什么影响 明泰铝业

6063铝棒6063铝合金价格 东莞市冠鸿金属材料有限公司

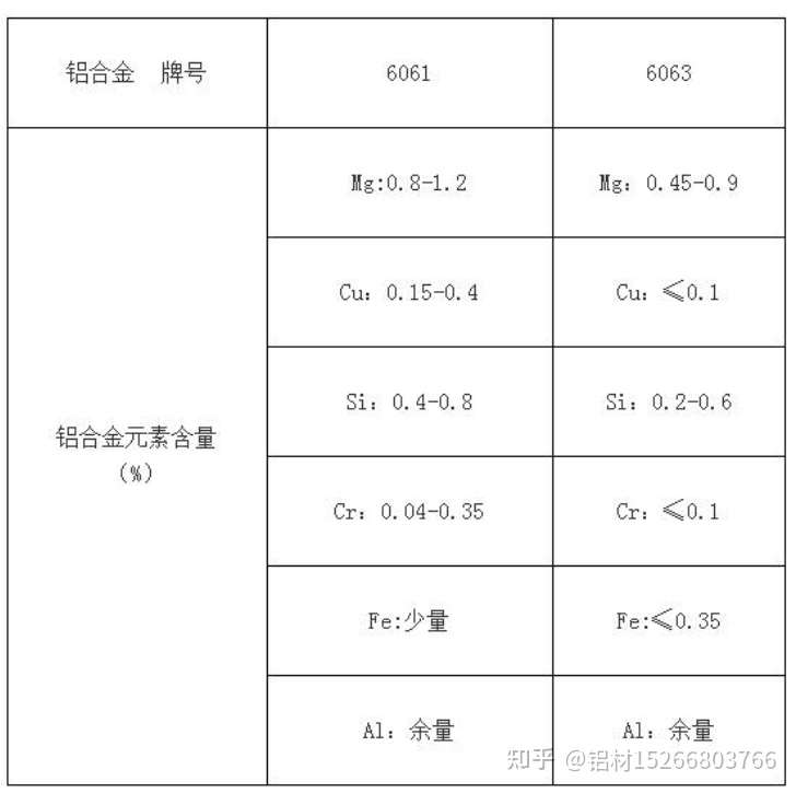
铝合金6061和6063有什么区别 知乎
1
![]()
铝合金6063和6061的区别是什么 佛山市航亚铝业有限公司
铝方管薄厚壁6063铝合金方管铝扁通铝方通吊顶氧化国标铝型材 虎窝淘
Tags:
Archive